
复纳科学仪器(上海)有限公司
金牌会员
已认证

复纳科学仪器(上海)有限公司
金牌会员
已认证
复合材料是由两种或多种不同组分组成的材料,与传统材料不同,它们的性能和结构可以同步设计。短切纤维增强复合材料(SFRC)广泛应用于汽车、建筑和航空航天等领域,具有制造成本低、冲击强度高、重量轻、刚度与强度高等优点。然而,由于纤维取向、制造工艺和材料微结构的复杂影响,预测其力学性能仍具有挑战性。
本研究由 Thermo Fisher Scientific、Synopsys、3Dmagination、Waygate Technologies 以及瑞士西北应用科技大学高分子工程研究所联合开展。研究团队通过微计算机断层扫描(microCT)与三维图像分析、力学测试及数值建模,对再生短碳纤维增强聚酰胺11(rCF-PA11)复合材料进行系统表征,探索其在可持续制造中的潜力。
01.样品制备
研究采用再生 T700 碳纤维与生物基聚酰胺11(PA11)作为基体材料,制备流程包括:
1. T700 碳纤维溶剂分解(solvolysis)、纤维尺寸调整(resizing)
2. 与 PA11 混炼复合(15 wt.%)
3. 挤出成丝与 3D 打印成型

图1:再生碳纤维制备流程示意图
打印使用 9T Labs 的 Additive Fusion Technology(AFT),该技术将连续层叠打印与高压融合相结合,实现致密结构和高性能复合件。通过控制喷头温度、挤出速度和层高,确保碳纤维分布均匀且不受损伤。

随后在封闭模具中施加热与压力进行融合处理,消除层间孔隙、提高纤维-基体界面结合力。


图4:短纤维增强复合材料的应力–应变曲线
02.力学性能测试
采用 DIN 527-1 标准制备 0° 与 90° 取向的试样,在室温下进行准静态拉伸测试。
结果显示:
0° 方向样品:刚度高、脆性断裂,性能主要由纤维主导;
90° 方向样品:初始刚度低,非线性显著,表现出聚合物主导特征;
相同取向的样品间差异极小,表明实验结果具有良好可重复性。
03.高分辨率 CT 扫描
通过 Waygate Technologies Phoenix V|tome|x M300 系统进行两次 CT 扫描:
全样本扫描:解析纤维总体分布(7.3 µm³ 体素)
局部高分辨扫描:关注样品中央区域(2 µm³ 体素)

图5:3D重建的 CT 体积图与局部截面图

图6:高分辨率 CT 扫描的体积渲染结果
04.图像分割与纤维追踪
利用 Thermo Scientific™ Avizo™ 3D Pro 软件的 XFiber 模块,对 CT 重建数据进行分割与纤维中心线追踪。该算法通过模板匹配与线追踪提取单根纤维,计算其长度、取向、曲率与弯曲度。最终得到超过 19.8 万根纤维数据,并将结果以张量形式导出至 Ansys 进行有限元建模。

图7:单根纤维分割与局部放大图

图8:区域内纤维取向分布图

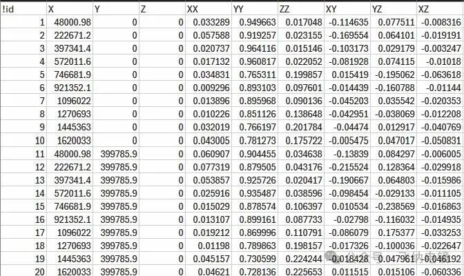
图9:导出用于仿真的取向张量数据
通过微观 CT 影像与精确追踪算法,研究者能够量化纤维的取向分布与界面特征,为后续力学建模与断裂行为分析奠定基础。
相关产品
更多
相关文章
更多
技术文章
2025-10-24技术文章
2025-10-22技术文章
2025-10-21技术文章
2025-09-24
虚拟号将在 秒后失效
使用微信扫码拨号